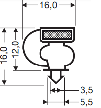
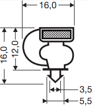
F 834

SKU: F-834 Categoría:

Información adicional

PDF

profili-p32.pdf

Inizio pag.