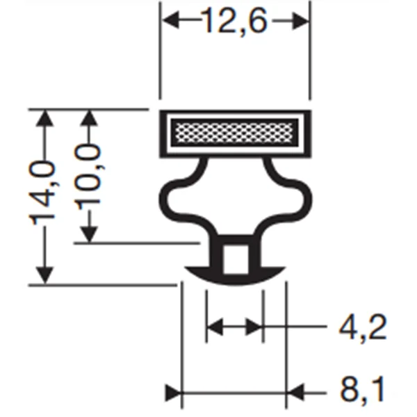
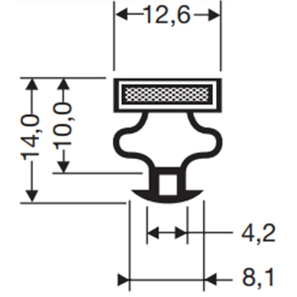
F 818

Inizio pag.