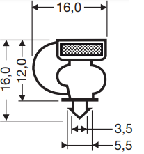
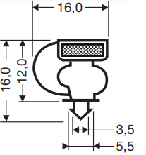
F 834

Inizio pag.