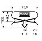
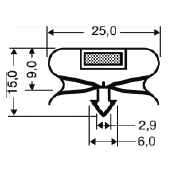
F 841

Inizio pag.