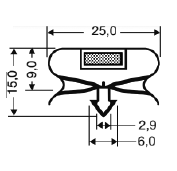
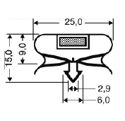
F 841

SKU: F-841 Categoría:

Información adicional

PDF

profili-p33.pdf

Inizio pag.