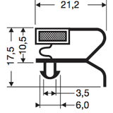
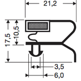
F 806-1

Inizio pag.