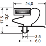
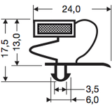
F 801

Inizio pag.