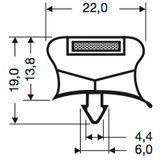
F 808

Inizio pag.