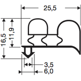
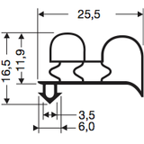
F 825

SKU: F-825 Categoría:

Información adicional

PDF

profili-p30.pdf

Inizio pag.